精密电阻焊设备 是双面双点过流焊接的基本原理,运行时2个电极加压工件使两层金属在两电极的压力下形成相应的接触电阻,而焊接电流从电极经过另一个电极时在两接触电阻点形成一瞬间的热熔接,且焊接电流一瞬间从另一个电极沿两工件流到此电极形成回路,不伤到被焊工件的内部结构。
电阻焊:利用电流流过电阻产生的热量完成焊接。 A. 直接电阻焊:工件自身电阻 H=I2Rt 考虑到散热(系数K),有效热量表示为: He=I2RtK


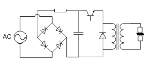
传统的电阻焊电源 : 交流电阻焊电源交流电阻焊电源主电路
交流电源输出波形●电流脉动 ●电流过零断续 ●时间调节分辨率20ms ●反馈控制响应20ms
电容贮能电阻焊电源
电容贮能电阻焊电源主电路

电容贮能电源输出波形●电流峰值高 ●焊接时间不能调节 ●焊接过程电流不能补偿 电容贮能电阻焊电源改进主电路![]()
改进电容贮能电源输出波形●变压器效率低,充磁影响输出 ●电流上升速度受限 ●功率较小 ●多为模拟式反馈控制 电阻焊工艺过程为启用冷却水;将焊件表层清除干净,装配精确后,送进上、下电极间,施加压力,使其接触优良;通电使两工件接触表层受热,局部性熔化,形成熔核; 断电后维持压力,使熔核在压力下冷却凝固形成焊点;除去压力,拿出工件。焊接电流、电极压力、通电时长及电极运行表层尺寸等点焊工艺参数对焊接品质有重要影响。 影响有效热量的因素: He=I2RtK I-----电流 电源输出稳定性。受网压波动、回路和负载阻抗变化等因素影响。 R-----电阻 工件因素及导电通道。受表面状态、电极磨损、压力波动和工件电阻变化等因素的影响。 K-----散热因素 散热条件。工件冷却条件、电极冷却条件、冷却水等散热因素。 我司研发的逆变电阻焊电源在很大程度上与传统的电容储能电源有着极为明显的不同。 逆变电阻焊电源
逆变电阻焊电源主电路
逆变电源与交流电源输出波形对比●输出波形平稳 ●电流调节响应速度快(0.25-1ms) ●时间调节分辨率高,范围宽 ●效率高
电阻焊设备运用正负两极在一瞬间短路时形成的高温电弧来熔化电焊条上的焊料和被焊材料,来做到使它们相结合的目地。电阻焊设备的结构比较简洁,简言之便是1个大功率的变压器,将220V交流电变成低电压,大电流的电源,能够是直流的还可以是交流的。电焊变压器有本身的特性,便是具备电压骤降的特性。
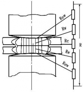
点焊是焊件装配接接头,并压紧在两电极间,运用电阻热熔化母材金属,形成焊点的电阻焊方式。点焊多用以薄板的连接,如飞机蒙皮、航空发动机的火烟筒、汽车驾驶室外壳等。点焊机焊接变压器是点焊电器,它的次级仅有一圈回路。上、下电极与电极臂既用以传输焊接电流,又用以传递动力。冷却水路依据变压器、电极等部分,以防发热焊接时,应先通冷却水,随后接通电源开关。电极的品质直接影响焊接过程,焊接品质和生产率。电极材料常见紫铜、钨钢、铬青铜等做成;电极的形状各种各样,具体依据焊件形状确认。安装电极时,要留意上、下电极表层维持平行;电极平面要保持清洁,常见砂布或锉刀整修。
广州市精源电子设备有限公司拥有几十年焊接设备研发经验,可供货多种电阻焊设备 如中频点焊机、缝焊机、高精密逆变电阻点焊机、热压焊机、微电弧焊机并能依据顾客具体焊接要求开展非标机定制自动或半自动焊接设备,设备主要元器件均采用世界著名公司产品,优质的元器件、先进的技术、现代化的管理与严格的产品质量控制,保证了产品的性能、稳定性和可靠性!我司产品广泛应用在电子元器件、电子产品、汽车、电池、医疗器械、照明等行业,欢迎广大客户垂询,咨询热线:17820534806
广州市精源电子

交流电阻焊电源主电路

微信
手机微信扫描二维码